Toyota Venza manuals

Toyota Venza: Short in Side Squib LH Circuit (B1825/56-B1828/56)

Toyota Venza Service Manual / Supplemental Restraint Systems / Airbag System / Short in Side Squib LH Circuit (B1825/56-B1828/56)

DESCRIPTION

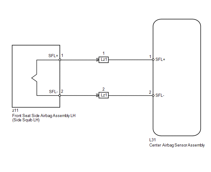
The side squib LH circuit consists of the center airbag sensor assembly and front seat side airbag assembly LH.

The center airbag sensor assembly uses this circuit to deploy the airbag when deployment conditions are met.

These DTCs are stored when a malfunction is detected in the side squib LH circuit.

DTC No.

DTC Detection Condition

Trouble Area

B1825/56

  • The center airbag sensor assembly receives a line short circuit signal in the side squib LH circuit during primary check.
  • Side squib LH malfunction
  • Center airbag sensor assembly malfunction
  • Floor wire
  • Front seat side airbag assembly LH (Side squib LH)
  • Center airbag sensor assembly

B1826/56

  • The center airbag sensor assembly receives an open circuit signal in the side squib LH circuit.
  • Side squib LH malfunction
  • Center airbag sensor assembly malfunction
  • Floor wire
  • Front seat side airbag assembly LH (Side squib LH)
  • Center airbag sensor assembly

B1827/56

  • The center airbag sensor assembly receives a short circuit to ground signal in the side squib LH circuit.
  • Side squib LH malfunction
  • Center airbag sensor assembly malfunction
  • Floor wire
  • Front seat side airbag assembly LH (Side squib LH)
  • Center airbag sensor assembly

B1828/56

  • The center airbag sensor assembly receives a short circuit to B+ signal in the side squib LH circuit.
  • Side squib LH malfunction
  • Center airbag sensor assembly malfunction
  • Floor wire
  • Front seat side airbag assembly LH (Side squib LH)
  • Center airbag sensor assembly

WIRING DIAGRAM


CAUTION / NOTICE / HINT

HINT:

  • Perform the simulation method by selecting check mode (Signal Check) using the Techstream (See page ).
  • After selecting check mode (Signal Check), perform the simulation method by wiggling each connector of the airbag system or driving the vehicle on a city or rough road (See page ).

PROCEDURE

1.

CHECK CONNECTORS

(a) Turn the ignition switch off.


(b) Disconnect the cable from the negative (-) battery terminal, and wait for at least 90 seconds.

(c) Check that the connectors are properly connected to the front seat side airbag assembly LH and center airbag sensor assembly.

OK:

The connectors are properly connected.

HINT:

If the connectors are not connected securely, reconnect the connectors and proceed to the next inspection.

(d) Disconnect the connectors from the front seat side airbag assembly LH and center airbag sensor assembly.

(e) Check that the terminals of the connectors are not damaged.

OK:

The terminals are not deformed or damaged.

(f) Check that the short spring for the floor wire with the activation prevention mechanism is not deformed or damaged.

OK:

The short spring is not deformed or damaged.

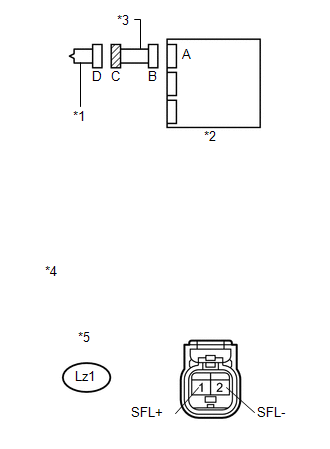
Text in Illustration

*1

Side squib LH

*2

Center Airbag Sensor Assembly

*3

Floor Wire


NG

REPLACE FLOOR WIRE


OK

2.

CHECK FRONT SEAT SIDE AIRBAG ASSEMBLY LH (SIDE SQUIB LH)

(a) Connect the connector to the center airbag sensor assembly.


(b) Connect SST (resistance 2.1 Ω) to connector C.

CAUTION:

Never connect an electrical tester to the front seat side airbag assembly LH (side squib LH) for measurement, as this may lead to a serious injury due to airbag deployment.

NOTICE:

  • Do not forcibly insert SST into the terminals of the connector when connecting.
  • Insert SST straight into the terminals of the connector.

SST: 09843-18061

(c) Connect the cable to the negative (-) battery terminal.

(d) Turn the ignition switch to ON, and wait for at least 60 seconds.

(e) Clear the DTCs stored in memory (See page ).


(f) Turn the ignition switch off.

(g) Turn the ignition switch to ON, and wait for at least 60 seconds.

(h) Check for DTCs (See page ).


OK:

DTC B1825, B1826, B1827, B1828 or 56 is not output.

HINT:

Codes other than DTCs B1825, B1826, B1827, B1828 and 56 may be output at this time, but they are not related to this check.

Text in Illustration

*1

Side squib LH

*2

Center Airbag Sensor Assembly

*3

Front view of wire harness connector

(to Front Seat Side Airbag Assembly LH)

*4

Connector C


OK

REPLACE FRONT SEAT SIDE AIRBAG ASSEMBLY LH


NG

3.

CHECK FLOOR WIRE (SIDE SQUIB LH CIRCUIT)

(a) Turn the ignition switch off.


(b) Disconnect the cable from the negative (-) battery terminal, and wait for at least 90 seconds.

(c) Disconnect SST from connector C.

(d) Disconnect the floor wire from the center airbag sensor assembly.

(e) Check for a short to B+ in the circuit.

(1) Connect the cable to the negative (-) battery terminal.

(2) Turn the ignition switch to ON.

(3) Measure the voltage according to the value(s) in the table below.

Standard Voltage:

Tester Connection

Switch Condition

Specified Condition

Lz1-1 (SFL+) - Body ground

Ignition switch ON

Below 1 V

Lz1-2 (SFL-) - Body ground

Ignition switch ON

Below 1 V

(f) Check for an open in the circuit.

(1) Turn the ignition switch off.

(2) Disconnect the cable from the negative (-) battery terminal, and wait for at least 90 seconds.

(3) Measure the resistance according to the value(s) in the table below.

Standard Resistance:

Tester Connection

Condition

Specified Condition

Lz1-1 (SFL+) - Lz1-2 (SFL-)

Always

Below 1 Ω

(g) Check for a short to ground in the circuit.

(1) Measure the resistance according to the value(s) in the table below.

Standard Resistance:

Tester Connection

Condition

Specified Condition

Lz1-1 (SFL+) - Body ground

Always

1 MΩ or higher

Lz1-2 (SFL-) - Body ground

Always

1 MΩ or higher

(h) Check for a short in the circuit.

(1) Release the activation prevention mechanism built into connector B (See page ).


(2) Measure the resistance according to the value(s) in the table below.

Standard Resistance:

Tester Connection

Condition

Specified Condition

Lz1-1 (SFL+) - Lz1-2 (SFL-)

Always

1 MΩ or higher

Text in Illustration

*1

Side squib LH

*2

Center Airbag Sensor Assembly

*3

Floor Wire

*4

Front view of wire harness connector

(to Front Seat Side Airbag Assembly LH)

*5

Connector C


NG

REPLACE FLOOR WIRE


OK

4.

CHECK CENTER AIRBAG SENSOR ASSEMBLY

(a) Restore the released activation prevention mechanism of connector B to the original condition.


(b) Connect the connectors to the front seat side airbag assembly LH and center airbag sensor assembly.

(c) Connect the cable to the negative (-) battery terminal.

(d) Turn the ignition switch to ON, and wait for at least 60 seconds.

(e) Clear the DTCs stored in memory (See page ).


(f) Turn the ignition switch off.

(g) Turn the ignition switch to ON, and wait for at least 60 seconds.

(h) Check for DTCs (See page ).


OK:

DTC B1825, B1826, B1827, B1828 or 56 is not output.

Text in Illustration

*1

Side squib LH

*2

Center Airbag Sensor Assembly

HINT:

Codes other than DTCs B1825, B1826, B1827, B1828 and 56 may be output at this time, but they are not related to this check.


OK

USE SIMULATION METHOD TO CHECK


NG

REPLACE CENTER AIRBAG SENSOR ASSEMBLY

Short in Side Squib RH Circuit (B1820/55-B1823/55)
DESCRIPTION The side squib RH circuit consists of the center airbag sensor assembly and front seat side airbag assembly RH. The center airbag sensor assembly uses this circuit to deploy the airbag ...

Short in Curtain Shield Squib RH Circuit (B1830/57-B1833/57)
DESCRIPTION The curtain shield squib RH circuit consists of the center airbag sensor assembly and curtain shield airbag assembly RH. The center airbag sensor assembly uses this circuit to deploy t ...

Other materials about Toyota Venza:

Coolant Thermostat (Coolant Temperature Below Thermostat Regulating Temperature) (P0128)
DESCRIPTION HINT: This DTC relates to the thermostat. This DTC is stored when the engine coolant temperature does not reach 75°C (167°F) despite sufficient engine warm-up time having elapsed. DTC No. DTC Detection Condition ...

Installation
INSTALLATION PROCEDURE 1. INSTALL DRIVER SIDE KNEE AIRBAG ASSEMBLY (a) Check that the ignition switch is off. (b) Check that the cable is disconnected from the negative (-) battery terminal. CAUTION: Wait at least 90 seconds after disconnecting the cable ...

If the engine will not start
If the engine still does not start after following the correct starting procedure (, 175) or releasing the steering lock (, 176), confirm the following points.  - The engine will not start even if you are carrying the correct key. One of the followi ...

© 2016-2026 Copyright www.tovenza.com

0.1255